Impala Forums banner

door locks not working on 2007 impala sedan

1 reading
9.7K views 4 replies 4 participants last post by  09_Chevy_Impala_SS  
#1 ·
Help!. My door locks will not operate at the switch or using the fob remote. I have checked the fuses and can hear the relay activate when I use the remote. Any help with this will be appreciated. The only way to lock the doors is by manually pushing the down. Also the doors will not unlock if they are down manually using the remote or switch. thanks.
 
#2 ·
You probably have a broken wire. It's most likely in the driver's door jamb, since that gets opened and closed the most.

In the jamb, I would pull back the black rubber boot from the door, and separate the wires looking for one that's damaged. Pull it back on the other end as well, and inspect there, too. Look for limp wires where the copper is broken inside the insulation. Also look at the wires where they go into the body below the A-pillar - check for chafing which may have rubbed away the insulation and is allowing the bare copper to touch the metal.

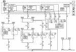
I've attached drawings for the lock switches and actuators. That may be helpful in identifying any broken wire(s) you find.

HTH.

Doug

.
 

Attachments

#4 ·
The door lock solenoids also fail on these cars, I have replaced in several 2008 doors.

if you hear a clicking noise, and maybe a little movement in the lock button, you might need to replace the lock solenoid.

There are very good instructional videos on YouTube how to replace them.
 
#5 ·
I am having the same issue. I hear is clicking in the fuse box, replaced the fuses and the relays. I can see the locks slightly moving when I press the button. Ill look at the wires and look into the lock solenoid.
It is weird because a couple work sometimes but not other times.